N1GY- The simple Approach to Ham Radio

and My Model Railroad Hobby


The hose clamps that I use to assemble the mast are made of stainless steel and have a unique "key" that is permanently attached and makes these hose clamps truly a "no tools needed" item. They are available from MSC Supply on the Internet. They are not listed with the rest of the screw type hose clamps for some reason but you can find them on page 4191 of MSC's "Big Book" on their web site.

A close-up of the mount shows the details like the safety bolt with its white handle. The safety bolt adds a second securing pin to the tilt mechanism so that the mast cannot be accidentally dropped if something snags the spring loaded pin with the "J" handle. The holes in the oak base are for 12 inch landscaping spikes to pin the base in place if the car is needed elsewhere. If you were to mount this tilt mechanism on a wooden post for a permanent installation, the "U" shaped bracket where the jacking crank used to be would also make a good spot for a safety bolt or other method of ensuring that the mast is not accidentally released.


          Today, January 31, 2016, I got a surprise. A friend, Jim Woodson, KE4INM, informed me that I was mentioned in a user group devoted to the National Parks On The Air yearlong event. He even sent the picture to prove it. The ham who took the picture, Will Henderson read my article in a 2013 QST and built a similar tilt mount that fit under a wheel of his car and a fine job he did. I have since modified my tilt mount to fit into a trailer hitch receiver on the back of my van but then I did lose the ability to drive away once the antenna is set up. Will used a flat piece of metal as the base, which is fine as the wheel of the car or van does not have to rise to get onto the base.

This is the new tilt base. I used a gutted boat trailer jack for the tilt mechanism, and adding a second safety bolt to ensure that it stays upright. The former trailer jack is mounted up-side down to an existing "Bigfoot" mount that I have used for years. It is also home-brewed. The added safety bolt is a 4 1/2" carriage bolt with a handle made from 1/2" PVC pipe. It is attached to the tilt mechanism via a U-nut found at an auto parts store. This way, I only have to unscrew the bolt just far enough to clear the tilt mechanism and the safety bolt stays right on the mount. Probably harder to lose it that way.

     The guy ring was made from an aluminum "candy dish" that my wife provided. It is surprisingly heavy gauge metal and certainly, with its floral design, has to be a unique guy ring.


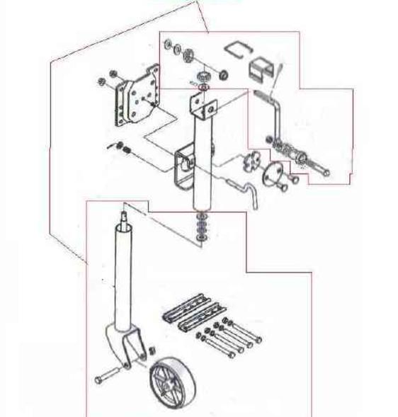
This diagram, courtesy of the importer and retailer, shows the parts that were removed from the stock trailer jack. The Image shifted a bit in loading so the parts to remove are the ones inside the boxes. The top cover is held on by a rectangular spring, easily removed. A roll pin must be driven out of the crank. Once that is removed the gear and indeed the entire crank handle can be removed. If you have left a little play in the inner tube (the one that has the caster attached) it can be pushed up allowing the pin underneath the other gear to be removed. The inner tube can then be removed.

As I age, sometimes less than gracefully, I try to make the deployment of my portable amateur radio operations easier. One of the more difficult tasks has been the erection of my antenna mast. I have used a tilt-over type mount for several of my base station antennas in the past with great success, so I figured I could do it again. Commercial tilt mounts tend to be somewhat pricey and are generally not designed to attach easily to the “under the tire” mount that I built several years ago. My son and I were discussing the options available when I saw one of his boating catalogs on the table. “A tilt-over boat trailer jack!” I exclaimed. “That’s the ticket”.
​ The next several days were occupied with the design. How tall should the mast be? What is the inside diameter of the outer tube of the jack? How do you get the innards of the jack out? All these questions rolled around in my mind as we completed our vacation and returned to Florida.Within a few days I had occasion to go by the Northern Tool store in Tampa. They had just the jack I was looking for and it was even on sale. As quick as the cashier could make change it was in the back of my car and on the way home. The disassembly of the telescoping portion of the jack took less than an hour. I simply drove the retaining pin out of the crank handle and removed the gears. This was the messy part of the job since they were covered in grease, but a can of brake cleaner and some rags helped a lot. With the inner tube (the one with the caster wheel attached) gone, I measured the inside diameter of the outer tube. I thought it would be a slip fit for 1.875” tubing. The outer diameter of the tube is a nominal 2”. Unfortunately, the jack manufacturer’s claim that the inner tube was 1 7/8” turned out to be a hair off. More about that later.  I do not have any pictures of the disassembly process but it is relatively simple. The drift pin I removed from the crank allowed the crank and its associated gears and washers to be removed easily. If the tube holding the caster is rotated down a few turns and then pushed up, the cylindrical pin that holds the other gear in place falls out easily and the entire sub assembly can be pulled out the bottom of the outer tube. The outer tube is then rotated so that the top (where the gears were) is now the bottom. Since the rotating plate that holds the tube to the mounting bracket has an extra hole (one in each lower corner) and the bracket itself has one in each corner to match, an extra bolt with a captured nut as seen in the photo at the bottom of the page can be used to provide a safety lock so that if someone accidentally pulls the spring loaded lock handle the mast will stay vertical.
The mount for the jack is normally clamped around the tongue of a boat trailer but the base has several sets of holes pre-drilled to accommodate various sizes of fittings. I chose to use 2 inch muffler clamps (short U-bolts) to attach the base of the jack to the 12 inch long 1 ½” ID pipe nipple that is the vertical portion of my portable mount. I originally planned to use stainless steel U-bolts but they were too long and the muffler clamps turned out to be exactly the right length and they are a more robust thickness to boot. I call my portable mount a “Bigfoot”, but it really is just an 18” by 10” by 2” oak plank with a floor flange and pipe bolted to the outer portion. The inner portion is placed under a front tire by driving the car up onto it so that the weight of the car keeps the portable mount solidly in place. The nipple and flange are insulated from the ground so that it can be part of the antenna system without grounding it. With the boat jack in place, the bottom of the jack clears the ground by about 1 ½ inches when vertical and the tilt mechanism is similarly isolated from ground.
​ It just so happened that one of my suppliers of aluminum telescopic tubing, DX Engineering, had that size in stock, along with all the other sizes to make a telescopic mast of almost any height desired. An order was placed and with the arrival of the tubing, the construction of the mast began. Since I already had a telescopic aluminum mast in hand, I simply had to add the larger diameter sections to the bottom of that mast to get it from 1.5 inches to 1.875”. This required three lengths of tubing, 1.875”, 1.750” and 1.625”. I mentioned earlier that the inside diameter of the trailer jack main tube was a bit off. When the new tubes arrived, I found that the largest one (1.875”) would not fit into the jack tube. The solution was easy. I had ordered 6 foot lengths of tubing knowing that I would be cutting them down to 4 feet to match the existing sections of the mast. I simply slid a two foot section of the 1.75” diameter tubing into the bottom of the larger section and joined the two pieces securely using a total of six sheet metal screws. This did make the mast a little taller but the beauty of a telescopic mast is that it can be any height you want below its maximum length. Together with the 1.500”, 1.375”, 1.250 and 1.125” sections from the old mast I had a mast that could run to 23 feet altitude maximum and could be lowered to NVIS height as needed. It is considerably more rugged than the previous mast, which would bend precariously if a relatively heavy antenna was mounted. To secure each length of tubing to its neighbor, the usual method is to use hose clamps. As with the previous telescopic mast, I chose to use a particular style clamp that so far, I have only found at one source. MSC Industrial Supply Co. (www1.mscdirect.com/) has stainless steel hose clamps with a hand operated key permanently attached to the bolt that adjusts the clamp. You will find them on page 4191 of MSC's "Big Book" on their web site. This makes it a “no tools needed” affair to set up the mast in the field.  There are other clamps that also appear to be able to be hand tightened but they use plastic keys or knobs. The MSC ones are the only ones I have found that are all metal.
​ I was concerned that the various antenna setups that I used with my original mast were all designed to use a length of ¾” ID PVC pipe as the mounting arrangement. This would slip over the top of the mast which was ¾” in diameter. Luckily, I discovered that the outside diameter of that same ¾” PVC pipe is a easy fit to slip inside some thin-wall PVC pipe that I had on hand. A few turns of vinyl tape made the fit just right and a few self tapping stainless sheet metal screws made the adaptation permanent. The thin-wall PVC fits over the 1 1/8” Aluminum tubing that is the top section of the new mast. Each thin-wall section is secured to the mast with the same type hose clamps that I use to connect the sections of the mast. With a little fabrication I was able to make an adapter to fit the “Octopus” array to the 1 1/8” aluminum tube. Next, I fabricated a new adapter to enable the use of wire antennas fed with ladder line. I had to make the attachment point at least 12” away from the aluminum mast to avoid affecting the ladder line. This was accomplished by building a PVC “T” out of ¾” PVC pipe, reinforced with ¾” aluminum slipped inside the PVC. I also added an aluminum brace to triangulate the “gantry” so that hoisting the antenna would not stress the mast too much. The braced end of the “T” is fitted with a pulley and rope to allow raising a wire antenna independently from the raising of the mast. This mounting adaptor also has provision for a VHF/UHF antenna mounting on the opposite end of the “T”. With that completed, any of my original antenna systems will fit the newly up-sized mast.
​ I plan on using my “Octopus” antenna array (QST December, 2007) but I can also use my homebrewed “Carolina Windom” (the “heavy” antenna that caused the previous mast to bend) as well as my “G5RV Jr.” antennas in place of the “Octopus” if necessary. The mast itself can also be used as a vertical antenna with the appropriate automatic or manual tuner in place. Radials would be needed to make the vertical perform adequately. Wire is cheap and it would not be hard to make 12 or 16 25 foot wires to attach to the tuner at the base and spread them out on the ground around the mast.  Other writers have noted the use of inexpensive metal tape measures as radials which have the advantage of being self-storing.
​ Since the mast I built is only 23 feet tall, one set of guys is sufficient even if I use a relatively heavy antenna like the “Octopus”. In order to make setting the guys easier for me, I chose to go with a package of four 14 foot long 1”wide tie-down straps with ratchet handles. Their extra weight would have been too much for a light duty mast, but with the mast now starting at 1.875 inches and the guys attached at the 1.5 inch diameter point on the mast, the heavy duty guy straps are appropriate. They attach to the mast at the 10 or 11 foot level. I have tried the three guy line setup in the past and I like the extra security of four. The military has standardized on four guy lines per level and they generally don’t do anything without testing it thoroughly first. The ratchet handles on the guy straps are placed near the ground anchors so the extra weight is minimized and the ratchets are accessible that way. Speaking of the ground anchors, several companies make excellent screw type ground anchors. I chose, based on past experience, to go a different route. Many years ago I picked up metal stakes that were originally used for tying down helicopters in Vietnam. I have used them for years and not one has ever pulled out until desired. They have a short metal cable with a spring loaded hook on the end of the cable. Very strong, they have a “W” shape like miniature metal highway barrier. A metal cap ensures that they can be driven in with a maul all the way into the ground. To remove them simply pull up parallel to the stakes orientation. Pulling in any other direction does nothing. Since I have no idea if they are still available or even where one could find them, you will have to choose an available ground anchor that works for you.
​ To attach the guy straps to the mast, some kind of “guy ring” was necessary. All the commercially available guy rings that I saw had a maximum mast diameter of 1.25”. I needed one for a mast diameter of 1.5”. I checked with a couple of fabricating companies in my area and they wanted more for the ring than I had invested in the whole project. I figured I had to go back to home-brewing if I was going to get what I wanted. While discussing the problem with my wife Audrey, she reached into the dark recesses of a cabinet and pulled out an old aluminum candy dish we had gotten as a wedding present many years ago. I questioned the idea of using the item, but she assured me it would be OK. With the drilling of five holes, four 7/16” for the guy hooks and one in the center to fit the 1 ½” mast, the deed was done. The material of the candy dish is very heavy gauge aluminum easily capable of taking the strains expected. Given that it also has a floral design stamped into the aluminum, it certainly must be the most unique guy ring in all of amateur radio.
            The first test of the new mount and mast combination was elementary. I placed the drive-on mount under a wheel of my car and installed the 23 foot mast into the jack tube in a horizontal position. I then pulled the spring loaded pin on the jack and proceeded to walk the mast up to a vertical position. As it reached the upright position the spring loaded pin clicked neatly into the matching hole in the base. I added the safety bolt on the other side of the jack tube and the mast was now secure. My wife and I have repeated the testing with each of the antenna mounting adaptors with and without the guy straps in place. All tests were successful. Obviously, the guy straps will be used at all times, but it was nice to know that the mast is strong enough that they are an added safety measure, not a critical part of just keeping the mast upright. With the guys in place and the base suitably secured to the ground with three 12 inch landscaping spikes, the car can be driven off the base and used elsewhere.
​            I will not bother you with the testing of the performance of the various antenna systems that we can deploy with this mast and mount. All that I tried worked up to their potential. Suffice to say that one can mount any antenna system that will perform at around 25 feet altitude whether it be of vertical or horizontal persuasion. With the appropriate number of radials and the 10 foot stinger extension in place, it can also operate as a multi-band vertical antenna itself if an antenna coupler or tuner is used. 
  This project is adaptable to many different types of antennas and to many different situations. It can be set up as high as 33 feet (with the 10 foot stinger adaptor) or as low as 8 to 10 feet for NVIS use in an emergency. It can be used for HF and/or VHF/UHF antennas. It can also be used for some park-side or beach-side DX when the need arises. With the increased risk of weather emergencies here in Florida, and the frequent opportunities for beach-side DX in calmer times, I expect to be using this system frequently in the future.
​      This project was designed as a portable device, attached to an "under the tire" type mount. There is no reason that this same mount could not be attached to a post permanently mounted in the ground. In a deed restricted community one could leave the mast horizontal during the daylight hours and tilt it up for operations at night. There are probably many more situations that this mount could be useful for, I just haven't thought of them as yet.

This is an illustration of the trailer jack as it comes from the retailer. Further down the page you will find a diagram showing the parts that were removed.

The tilt mount and mast fully up and operational. The guy straps are a set of four 14 foot tie-down straps with ratchet mechanisms from a discount tool store. The white cord is a halyard for raising various wire antennas after the mast is up. The vertical antenna at the very top is a homebrewed VHF/UHF antenna.

A Different Way to Make a Tilt-Over Base and Telescopic Mast

Making Portable Operations Easier